UPC EETAC Bachelor's Degree in Telecommunications Systems and in Network Engineering EEL

 

Hex_7seg_decoder plan C2 using method of memories

P2

P5


Method of memories for implementing logic functions

1. Specifications Planning Developing Functional test Gate-level test Prototype Report

Design a hexadecimal to 7-segment decoder using plan C2 and memory chip components.

Symbol

Fig. 1. Hexadecimal to 7-segment decoder. A similar standard chip is the 74LS47.

When BI_L is active with a low level ('0') all outputs are high ('1'), meaning that no LED is lighting (blanked).

truth table 

Fig. 2. This is the truth table to define how the circuit works and that always goes attached to the symbol.

Example of a timing diagram. Plan some input vectors and figure out which are going to be the outputs.

    timing diagram
Fig. 3. The sketch of the timing diagram that is expected from this circuit.

 


Specifications 2. Planning Development Functional test Gate-level test Prototype Report

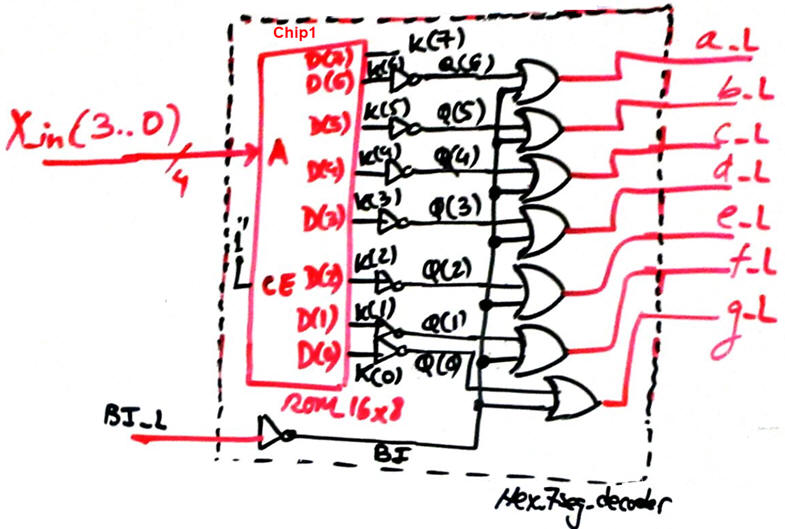
We will conceive all our circuits using VHDL EDA tools and following the design flow. Fig. 3 shows the internal architecture of the circuit. Fig. 4 shows the plan using a ROM16x8 component and logic gates.

Plan C2 using ROM

Fig. 4. Plan proposed for this project.

Demonstration on how the truth table is generated for a given input combination.

Demonstration

Fig. 5. Normal decoding with active-low outputs is done when BI_L is disabled.

Project location:

C:\CSD\P5\Hex_7seg_decoder\(files)

 


Specifications Planning 3. Development Functional test Gate-level test Prototype Report

This "Hex_7seg_decoder.vhd" is the translation of the circuit in Fig. 4 above.

The components have their own translation to VHDL, for instance: "ROM_16x8.vhd"   adapting files from this ROM unit.

Implement a new synthesis project using Quartus Prime for a given Intel target chip: FPGA Cyclone IV EP4CE115F29C7.

Print and discuss RTL and technology circuits.

RTL circuit

Fig. 6. RTL circuit.

How many chip resources (logic cells) are used?

 

Fig. 7. Technology circuit.

 


Specifications Planning Developing 4. Functional test Gate-level test Prototype Report

Draw a testbench fixture. We will simulate in ModelSim a VHDL testbench for the unit-under-test.

testbench fixture

Fig. 8. Testbench VHDL fixture schematic for performing functional and gate-level tests.

The testbench is the same as in P2 using plan A or Hex_7seg_decoder using  plan B.

 


Specifications Planning Developing Functional test 5. Gate-level test Prototype Report

 


Specifications Planning Developing Functional test Gate-level test 6. Prototype Report

 


Specifications Planning Developing Functional test Gate-level test Prototype 7. Report

Follow this rubric for writing reports.