Ideas on organising L1.4 Activity #2 |
You can imagine all four sections as follows:
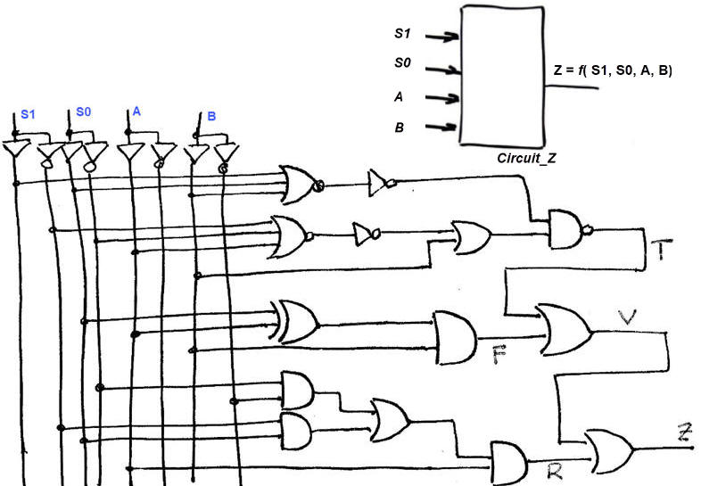
1) Specifications for this project: Design the SoP minimised circuit equivalent to the following Circuit_Z (it means that your circuit has to have the same truth table than this one). You already deduced its equation in L1.2 Activity #2.

2) Plan. This is the general concept map for our P1 analysis and designs (lesson L1.4)
a. Firstly, you have to analyse the circuit to obtain its truth table, for example using the method 1 (in lecture L1.3), or the method 2 or method 4 in LAB1.1). Propose an analysis flowchart with several steps and concepts.
Note: If you use method I or the method 4, the starting point for the analysis is the initial equation that you had to deduce it in L1.2 act. #2. Thus, be sure that you are starting the analysis from the correct equation (it is the same for all of you).
b. Secondly, with your truth table checked (with other methods or comparing it with other students results), repeat the indications in lecture L1.4 using Minilog (propose a flow chart with the steps to follow).
3) Develop. Do it, write down your SoP equation its equivalent circuit NOT/Buffer- NAND - OR
4) Test. Compare your Minilog results with other students