Lecture 2 |
L1.2: Logic gates P1 analysis AND, OR, NOT, XOR, NOR, NAND, NXOR |
[11 Feb] |
Specifications
Analyse the highlighted Circuit_C proposed in P1 to deduce its truth table.

Planning

General combinational circuit symbol:

Step 1 on learning how the basic logic gates work
1.3. Logic gates
1.3.1. Symbols
1.3.1.1. Buffer (non-inverter)
1.3.1.2. Inverter (NOT)
1.3.1.3. AND, NAND
1.3.1.4. OR, NOR
1.3.1.5. XOR, NXOR
Standard logic gates: symbols, equations, truth table, product of maxterms and sum of minterms rec. 1, rec. 2. The concept of a logic gate represented in two complementary ways (schematic/symbol/logic diagram and logic equation) and its truth table to describe its specifications or how does it work.


This example below shows on how a NXOR truth table can be realised using up to four different and equivalent equations:

1.3.2. Equations in Boolean algebra, also from this reference: Ercegovac, M., Lang, T., Moreno, J. H., Introduction to digital systems, John Wiley & Sons, 1999, link (chapter 2, lecture viewgraphs).

And also: x = (x + y) · (x + y') x = x · (y + y')
1.3.3. Truth table and canonical forms
1.3.3.1. Sum of minterms.
1.3.3.2. Product of maxterms
1.3.4. Timing diagrams
Book and references to read on content on logic gates and combinational circuits.
Basic theory on digital electronics is written and explained everywhere. For instance, here there is a series of 14 introductory videos to our subject (Dunn, K., Bluegrass Community and Technical College). Some of the videos also include "pdf" notes and exercises and additional web references.
Activity #1: Using equations from logic gates, find the circuit equation of the Circuit_W below: the algebraic notation that is totally equivalent to the schematic. Discuss your results with your class mates, it has to be the same equation for all of you.


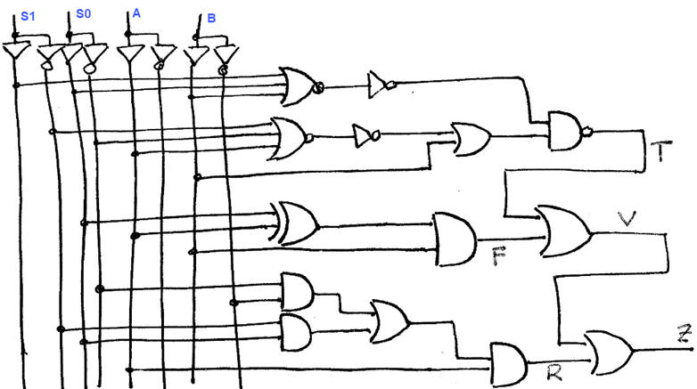
Activity #2: As an starting point for three of the four analysis methods proposed, find the circuit equation of the Circuit_Z below: the algebraic notation that is totally equivalent to the schematic. Discuss your results with your class mates, it has to be the same equation for all of you.

