UPC EETAC Bachelor's Degree in Telecommunications Systems and in Network Engineering. Bachelor's Degree in Aerospace Systems Engineering EEL

 

Projecte estalviem aigua: aixeta temporitzada

Tutorials

LAB9


Sensor ultrasònic, relé, electrovàlvula, Arduino

1. Especificacions

Dissenyarem el circuit de control d'una aixeta que ens permeti obrir l'aigua quan es detecti una persona i que es tanqui automàticament després de 10 segons.

Especicacions

Fig. 1. Exemple d'esquetx inicial per començar a discutir el projecte.

L'automatisme que programarem acciona la bobina de 5 V del relé. L'electrovàlvula de solenoide (de corrent i voltatge segons model) o qualsevol altra aplicació elèctrica (làmpada, motor, etc.) es connectarà a la regleta de connexió de l'interruptor del relé. 

Exemples d'electrovàlvules de solenoide comercials i vídeo de funcionament. 

Es pot estudiar també com funcionen les electrovàlvules de reg per impulsos.

Per detectar la mà o altres obstacles que posin en funcionament la vàlvula, podem usar un sensor d'ultrasons o d'infrarojos (IR).

 

2. Planificació

A) Circuits

En primer lloc ens imaginarem un circuit al voltant de l'Arduino tal com mostra la Fig. 2. L'adaptador AC/DC d'alimentació de l'Arduino (VIN) entre 12 i 15 V, també podria usar-se per alimentar segons quins models d'electrovàlvula que connectaríem a l'interruptor del relé.

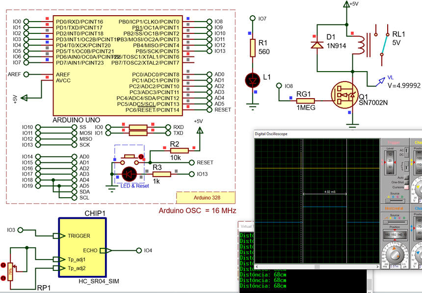
Circuit proposat

Fig. 2. Exemple de circuit de control proposat. Com indiquen les formes d'ona, el relé temporitza 10 s en detectar un obstacle davant del sensor.

La Fig. 3 representa un exemple de tria de components.

Arduino
Arduino sensors
Electrovalvula

Fig. 3.  Exemple de components que usarem en el disseny. Característiques de l'electrovàlvula.

I una altra manera de començar seria imaginant que en lloc del sensor d'ultrasons, simplement disposem d'un simple polsador (o un polsador tàctil). Com el connectaríem?, és a dir, no cal disposar de tots els elements per començar a experimentar. Semblantment, si no disposem de l'electrovàlvula o el relé, podem usar un altre LED que s'il·luminarà durant el temps que tenim previst d'aixeta oberta.


B) Programari

Pas 1: Trobarem i assajarem un programa per comprovar com funciona el sensor d'ultrasons. I així ja veurem també quina biblioteca de funcions d'Arduino relacionada amb aquest sensor haurem d'instal·lar.

Per exemple, podem usar aquesta biblioteca de funcions DistanceSensor per començar a conèixer el sensor i la informació que genera. La funció calcula la distància a l'obstacle en què rebota el so en cm. La generació de l'impuls de gatell (trigger) i el càlcul de la duració de l'impuls de l'eco es fa internament. Si no es detecta res dóna una lectura de 400 cm. El altres aplicacions on fos necessari calcular distàncies amb precisió, la funció admet un ajust per corregir la mesura en de la temperatura ambient. 

Pas 2: Programarem el circuit. Aquí s'hi mostren un parell de tècniques de programació alternatives que podem emprar:

(1) Programa descrit amb diagrama de flux d'operacions a realitzar representat a la Fig. 4.

(2) Opcional. Programació d'una màquina d'estats finits (FSM) tal com proposa aquesta pàgina Tap_control.

Aquest diagrama es traduirà a codi font en llenguatge Arduino o Scratch, o per a qualsevol altre sistema de control digital en què tinguem interès.

Diagrama de flux del programari

Fig. 4. Exemple de diagrama de flux amb indicació de les variables que usarem.

Directori on desenvoluparem el projecte i emmagatzemarem la documentació (informe, transparències, referències, fulls d'especificacions, etc.)

C:\CSD\P12\MAGNET\Aixeta\(fitxers)

 

3. Desenvolupament pas a pas, depuració i  4. Verificació 

A) Muntatge


Secció opcional de simulació. Si disposem d'un simulador de circuits electrònics, com ara Proteus, una bona idea per verificar si el circuit i el programari ens funcionen correctament, és capturar el circuit (Control_aixeta.zip) i experimentar directament en el nostre ordinador abans de continuar amb el muntatge el kit. 

Sensor simulació

Fig. 5. Exemple de circuit capturat en Proteus preparat per a la simulació i depuració del circuit i el programa. Aquest circuit, a més de l'Arduino també incorpora el simulador del sensor HC-SR04. Movent un potenciòmetre podem realitzar pulsos de diferent durada, que representaran diferents distàncies.


Aquest de la Fig. 6 és un muntatge construït amb el KS0398/KS0398 Easy plug ultimate starter kit for Arduino STEM EDU de  Keystudio que simplifica les connexions.

Fotografia del kit operatiu

Fig. 6. Muntatge amb el kit d'Arduino. El LED verd Aixeta se substitueix per un bloc on amb tres cables es connecta el relé de 5 V que disposa de la regleta on cargolar l�€™electrovàlvula (o altres càrregues) que volem accionar. 

 


B) Compilem i executem

Aquesta Sensor_HCSR04.zip és la primera aplicació descarregada de la web. Recordeu que cal instal·lar prèviament la biblioteca relacionada amb el sensor d'ultrasons.

Aquest Aixeta.zip és un exemple de traducció del diagrama de flux de la Fig. 4 a llenguatge C per compilar directament amb l'IDE Arduino (veureu que ara tenen disponible la versió 2.1.0). Recordeu que la biblioteca DistanceSensor ha d'estar instal·lada a l'Arduino IDE.

Completeu els experiments comprovant com funciona una vegada instal·lada l'electrovàlvula i el circuit d'aigua.

Opcional. Aquesta Aixeta_v2.zip és una altra versió en què directament es controla el sensor ultrasònic des del programa i només necessita les biblioteques estàndard que ja venen per defecte amb l'Arduino.


Altres preguntes i discussió:

- I si en lloc de temporitzar 10 s una vegada detectat l'obstacle, volem que es tanqui immediatament quan no es detecta ningú davant del sensor?

- Com podríem fer que l'aixeta es posi en marxa picant de mans?

- Com podríem aplicar un circuit similar per aconseguir que la lluminària de l'aula s'apagui per exemple 2 minuts després d'haver detectat que ja no hi queda ningú?

 

5. Prototipatge

Un muntatge alternatiu podria ser el disseny del circuit en una shield en PCB on soldaríem tots els components. També podem adquirir o fabricar-nos amb una impressora 3D una caixa de plàstic per collar-hi tots els elements.

 

6. Documentació

Prepareu la memòria escrita i la presentació oral. Aquesta mateixa pàgina pot servir-vos de guia.